直流回路において、 電圧が解っていれば、 抵抗の大きさを求めるためには、 テスターがあればいいのですが、 もっと正確に抵抗の大きさを知るためには、 ホィートストン橋式抵抗測定装置を使います。
テスターは電流計であり、 およその電流の値を表示してくれます。 そこで、 オームの法則を用いると、 およその抵抗の値を知ることができます。
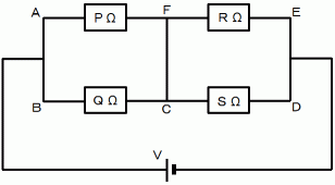
ホィートストン橋式抵抗測定装置は、 次の図のような構造になっています。 ( 左の図 と 右の図 は 同じです。) P と Q は既知の抵抗、 R は測定したい抵抗、 S は可変抵抗です。 FC 間の電圧が 0 になって、 FC 間に電流が流れないようになるような S の値を求めて、 次の式に当てはめると R の値がわかります。


FC 間に電流が流れていないとき、 A
F
E の電流 を
とし、 B
C
D の電流 を
とすると、 次の式たちが成り立ちます。
の両辺を入れ替えて、
と
を辺々かけ合わせて整理すると、R を求める式が出来あがります。
電気工学 へ戻る